Yli 300 000 asiakasta - kiitämme teitä!

Yli 40 000 tuotetta metsästykseen ja ammuntaan

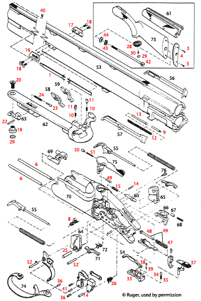
Ruger® Red Label O/U -aseiden räjäytyskuvat tarjoavat yksityiskohtaisen näkymän aseiden rakenteeseen ja komponentteihin, helpottaen huoltoa ja korjausta.

Ruger® Red Label O/U S/N Prefix 401/411/420 Aseiden räjäytyskuvat - Yksityiskohtaiset näkymät aseista

Ruger® Red Label O/U -sarjan aseet, joiden sarjanumeroprefiksit ovat 401, 411 ja 420, tarjoavat erinomaisen yhdistelmän laatua ja suorituskykyä. Tältä sivulta löydät räjäytyskuvia, jotka esittävät aseiden sisäisiä komponentteja ja rakenteita. Nämä kuvat ovat tärkeitä sekä ammattilaisille että harrastajille, sillä ne auttavat ymmärtämään aseen toimintaa ja huoltoa. Räjäytyskuvat tarjoavat selkeän ja yksityiskohtaisen näkymän, joka voi olla hyödyllinen korjauksissa ja osien vaihdossa. Tervetuloa tutustumaan Ruger® Red Label O/U -aseiden maailmaan!

Ruger® Red Label O/U S/N Prefix 401/411/420



Ruger® Red Label O/U S/N Prefix 401/411/420 Aseiden räjäytyskuvat


Ruger® Red Label O/U S/N Prefix 401/411/420
Klikkaa punaista numeroa nähdäksesi lisää tietoja osasta ja lisätäksesi tehdasosan ostoskoriisi. Valitse "Osaluettelo" nähdäksesi tämän räjäytyskuvan kaikki osat

Ruger® Red Label O/U S/N Prefix 401/411/420 Osat


Takaisin alkuun