Yli 300 000 asiakasta - kiitämme teitä!

Yli 40 000 tuotetta metsästykseen ja ammuntaan

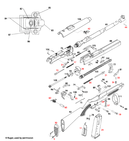
Ruger® PC 9/40 Carbine - aseiden räjäytyskuvat tarjoavat yksityiskohtaisia kaavioita ja osaluetteloita tämän monipuolisen kiväärin osista ja rakenteesta.

Ruger® PC 9/40 Carbine Aseiden räjäytyskuvat - Tutustu tarkasti aseesi yksityiskohtiin

Ruger® PC 9/40 Carbine - ase, joka yhdistää tehokkuuden ja käytännöllisyyden, on nyt saatavilla räjäytyskuvina. Tältä sivulta löydät yksityiskohtaiset räjäytyskuvat, jotka esittelevät aseesi eri osat ja mekanismit. Nämä kuvat auttavat sinua ymmärtämään aseen rakennetta ja toimintaa paremmin, olitpa sitten huoltamassa aseesi tai tutustumassa sen toimintaan. Räjäytyskuvat tarjoavat selkeän näkymän kaikkiin komponentteihin, mikä on erityisen hyödyllistä aseiden harrastajille ja ammattilaisille. Käy läpi kuvat ja opi lisää Ruger® PC 9/40 Carbinesta!

Ruger® PC 9/40 Carbine



Ruger® PC 9/40 Carbine Aseiden räjäytyskuvat


Ruger® PC 9/40 Carbine
Klikkaa punaista numeroa nähdäksesi lisää tietoja osasta ja lisätäksesi tehdasosan ostoskoriisi. Valitse "Osaluettelo" nähdäksesi tämän räjäytyskuvan kaikki osat

Ruger® PC 9/40 Carbine Osat


Takaisin alkuun