Yli 300 000 asiakasta - kiitämme teitä!

Yli 40 000 tuotetta metsästykseen ja ammuntaan

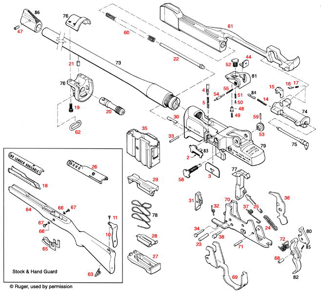
Ruger® Mini-14 -sarjan aseiden räjäytyskuvat tarjoavat yksityiskohtaisia kaavioita osien rakenteesta ja kokoonpanosta, helpottaen huoltoa ja korjausta.

Ruger® Mini-14 Serial Prefix 181-186 Aseiden räjäytyskuvat - Yksityiskohtaiset näkymät aseestasi

Ruger® Mini-14 -sarjan aseet, joiden sarjanumero alkaa 181:stä ja päättyy 186:een, ovat tunnettuja luotettavuudestaan ja monipuolisuudestaan. Tällä sivulla tarjoamme räjäytyskuvia, jotka esittävät näiden aseiden eri osia ja mekanismeja. Räjäytyskuvat auttavat ymmärtämään aseen rakennetta ja toimivuutta, mikä on erityisen hyödyllistä huollossa ja korjauksessa. Olipa tavoitteesi sitten oppia lisää aseesi toiminnasta tai suunnitella huoltoa, löydät täältä kaikki tarvittavat tiedot. Tutustu tarkasti jokaiseen osaan ja varmista, että aseesi toimii parhaalla mahdollisella tavalla.

Ruger® Mini-14 Serial Prefix 181-186



Ruger® Mini-14 Serial Prefix 181-186 Aseiden räjäytyskuvat


Ruger® Mini-14 Serial Prefix 181-186
Klikkaa punaista numeroa nähdäksesi lisää tietoja osasta ja lisätäksesi tehdasosan ostoskoriisi. Valitse "Osaluettelo" nähdäksesi tämän räjäytyskuvan kaikki osat

Ruger® Mini-14 Serial Prefix 181-186 Osat


Takaisin alkuun