Yli 300 000 asiakasta - kiitämme teitä!

Yli 40 000 tuotetta metsästykseen ja ammuntaan

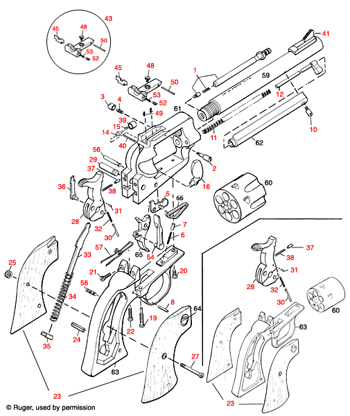
Ruger® Super Blackhawk Hunterin räjäytyskuvissa esitetään yksityiskohtaisesti aseen komponentit ja rakenne, tarjoten hyödyllistä tietoa huoltoon ja korjaukseen.

Ruger® Super Blackhawk Hunter Aseiden räjäytyskuvat - Tutustu tarkasti aseeseesi!

Ruger® Super Blackhawk Hunter -mallin räjäytyskuvat tarjoavat yksityiskohtaisen näkymän tämän legendaarisen revolverin rakenteeseen ja toimintaan. Tällä sivulla voit tutustua aseesi eri osiin ja niiden toimintaan. Räjäytyskuvat auttavat sinua ymmärtämään Ruger® Super Blackhawk Hunterin mekanismeja, mikä on erityisen hyödyllistä huollon ja korjauksen yhteydessä. Olitpa sitten kokenut ampuja tai vasta-alkaja, nämä kuvat tarjoavat arvokasta tietoa, joka parantaa aseesi käytön turvallisuutta ja tehokkuutta. Hyödynnä näitä resursseja ja pidä aseesi aina parhaassa kunnossa!

Ruger® Super Blackhawk Hunter



Ruger® Super Blackhawk Hunter Aseiden räjäytyskuvat


Ruger® Super Blackhawk Hunter
Klikkaa punaista numeroa nähdäksesi lisää tietoja osasta ja lisätäksesi tehdasosan ostoskoriisi. Valitse "Osaluettelo" nähdäksesi tämän räjäytyskuvan kaikki osat

Ruger® Super Blackhawk Hunter Osat


Takaisin alkuun