Yli 300 000 asiakasta - kiitämme teitä!

Yli 40 000 tuotetta metsästykseen ja ammuntaan

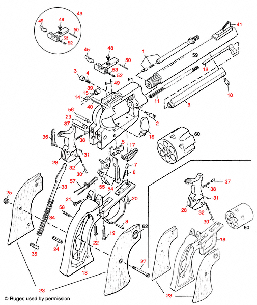
Ruger® Super Blackhawk -revolversin räjäytyskuvat tarjoavat yksityiskohtaisen näkymän aseen osista ja rakenteesta, helpottaen huoltoa ja korjausta.

Ruger® Super Blackhawk Aseiden räjäytyskuvat - Tutustu tarkasti aseeseen!

Ruger® Super Blackhawk on legendaarinen revolveri, joka yhdistää voiman ja tarkkuuden. Tältä sivulta löydät kattavat räjäytyskuvat, jotka esittelevät aseen eri osat yksityiskohtaisesti. Nämä kuvat tarjoavat arvokasta tietoa niin aseharrastajille kuin ammattilaisillekin, jotka haluavat ymmärtää aseen rakennetta ja toimintaa paremmin. Räjäytyskuvat auttavat myös huollossa ja osien vaihdossa, joten voit pitää aseesi aina parhaassa kunnossa. Sukella syvemmälle Ruger® Super Blackhawk -revolverin maailmaan ja opi lisää sen ainutlaatuisista ominaisuuksista!

Ruger® Super Blackhawk



Ruger® Super Blackhawk Aseiden räjäytyskuvat


Ruger® Super Blackhawk
Klikkaa punaista numeroa nähdäksesi lisää tietoja osasta ja lisätäksesi tehdasosan ostoskoriisi. Valitse "Osaluettelo" nähdäksesi tämän räjäytyskuvan kaikki osat

Ruger® Super Blackhawk Osat


Takaisin alkuun