Yli 300 000 asiakasta - kiitämme teitä!

Yli 40 000 tuotetta metsästykseen ja ammuntaan

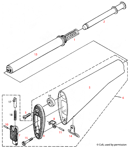
Colt® AR-15 -peräosakokoonpano esittelee yksityiskohtaiset räjäytyskuvat, jotka auttavat aseiden huollossa ja osien tunnistamisessa.

Colt® AR-15 Buttstock Assembly Aseiden räjäytyskuvat - Tarkkaile aseesi osia!

Tällä sivulla esittelemme Colt® AR-15 Buttstock Assembly -osien räjäytyskuvat, jotka tarjoavat yksityiskohtaisen näkymän aseesi rakenteeseen. Räjäytyskuvat ovat hyödyllisiä niin aseiden huollossa kuin korjauksessa, sillä ne auttavat ymmärtämään eri komponenttien sijainnin ja toiminnan. Täältä löydät selkeät ja tarkat kuvat, jotka auttavat sinua tunnistamaan ja vaihtamaan osia tarvittaessa. Olipa tavoitteesi sitten kunnostus, modifiointi tai pelkästään lisätietojen hankinta, tämä sivu tarjoaa arvokasta tietoa Colt® AR-15 -mallin buttstockin kokoamisesta ja osista.

Colt® AR-15 Buttstock Assembly



Colt® AR-15 Buttstock Assembly Aseiden räjäytyskuvat


Colt® AR-15 Buttstock Assembly
Klikkaa punaista numeroa nähdäksesi lisää tietoja osasta ja lisätäksesi tehdasosan ostoskoriisi. Valitse "Osaluettelo" nähdäksesi tämän räjäytyskuvan kaikki osat

Colt® AR-15 Buttstock Assembly Osat


Osa #2
-12 %
-12 %
AR6721 BUFFER ASSEMBLY on erinomainen valinta AR-15 Government Carbine .223:lle, parantaen aseesi suorituskykyä ja luotettavuutta.
COLT
AR6721 "H" BUFFER ASSEMBLY 4 OZ AR6721 "H" BUFFER ASSEMBLY 4 OZ
Varastossa 7 kpl. USA:n varastossa
84,90 €
74,90 €
Takaisin alkuun