Yli 300 000 asiakasta - kiitämme teitä!

Yli 40 000 tuotetta metsästykseen ja ammuntaan

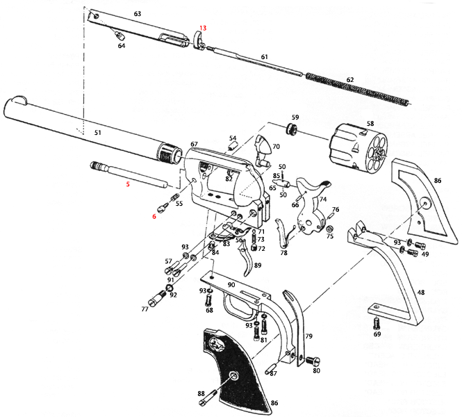
Colt® Single Action Army 3rd Gen. B.P. -kehyksistä löytyy yksityiskohtaiset räjäytyskuvat, jotka havainnollistavat aseiden osien rakennetta ja kokoonpanoa.

Colt® Single Action Army 3rd Gen. B.P. Frame Aseiden räjäytyskuvat - Yksityiskohtia ja tarkkuutta aseiden rakenteesta

Tervetuloa sivulle, joka esittelee Colt® Single Action Army 3rd Generation -revolvereiden räjäytyskuvia. Nämä kuvat tarjoavat syvällisen katsauksen aseiden rakenteeseen ja komponentteihin, auttaen niin keräilijöitä kuin asiantuntijoita ymmärtämään aseiden toimintaa ja rakennetta. Jokainen räjäytyskuva on suunniteltu yksityiskohtaisesti, mikä mahdollistaa erilaisten osien tunnistamisen ja analysoinnin. Tämä sivu on erityisen hyödyllinen niille, jotka ovat kiinnostuneita Colt®-tuotteista ja niiden historiaan liittyvistä teknisistä yksityiskohdista.

Colt® Single Action Army 3rd Gen. B.P. Frame



Colt® Single Action Army 3rd Gen. B.P. Frame Aseiden räjäytyskuvat


Colt® Single Action Army 3rd Gen. B.P. Frame
Klikkaa punaista numeroa nähdäksesi lisää tietoja osasta ja lisätäksesi tehdasosan ostoskoriisi. Valitse "Osaluettelo" nähdäksesi tämän räjäytyskuvan kaikki osat

Colt® Single Action Army 3rd Gen. B.P. Frame Osat


Takaisin alkuun