Yli 300 000 asiakasta - kiitämme teitä!

Yli 40 000 tuotetta metsästykseen ja ammuntaan

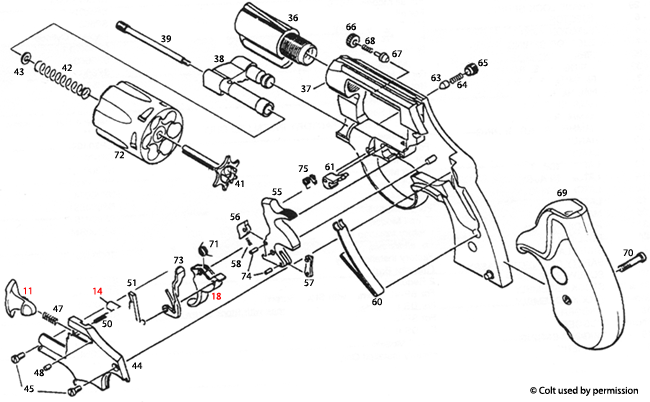
Colt® SF-VI -revolverin räjäytyskuvat tarjoavat yksityiskohtaisen näkymän aseen rakenteeseen ja osiin, helpottaen huoltoa ja korjausta.

Colt® SF-VI Aseiden räjäytyskuvat - Yksityiskohtaisia näkymiä Colt® SF-VI:stä

Colt® SF-VI Aseiden räjäytyskuvat -sivulla esittelemme kattavan kokoelman räjäytyskuvia, jotka tarjoavat syvällistä tietoa Colt® SF-VI -revolverin rakenteesta ja toiminnasta. Nämä kuvat ovat suunniteltu erityisesti aseiden ystäville, mekaanikolle ja keräilijöille, jotka haluavat ymmärtää aseensa sisäisiä mekanismeja paremmin. Räjäytyskuvista voit nähdä jokaisen komponentin yksityiskohtaisesti, mikä helpottaa huoltoa ja korjaamista. Olitpa sitten ammattilainen tai harrastaja, tämä sivu tarjoaa arvokasta tietoa, joka auttaa sinua syventämään ymmärrystäsi Colt® SF-VI:stä.

Colt® SF-VI



Colt® SF-VI Aseiden räjäytyskuvat


Colt® SF-VI
Klikkaa punaista numeroa nähdäksesi lisää tietoja osasta ja lisätäksesi tehdasosan ostoskoriisi. Valitse "Osaluettelo" nähdäksesi tämän räjäytyskuvan kaikki osat

Colt® SF-VI Osat


Takaisin alkuun