Yli 300 000 asiakasta - kiitämme teitä!

Yli 40 000 tuotetta metsästykseen ja ammuntaan

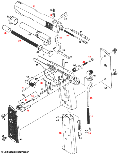
Colt® 380 -mallien räjäytyskuvat tarjoavat yksityiskohtaisia näkymiä aseiden rakenteesta ja komponenteista, auttaen ymmärtämään niiden toimintaa ja huoltoa.

Colt® 380 Models Aseiden räjäytyskuvat - Tutustu tarkasti Colt® 380 -malleihin!

Colt® 380 Models Aseiden räjäytyskuvat -sivulla esittelemme yksityiskohtaiset räjäytyskuvat, jotka tarjoavat syvällisen katsauksen Colt® 380 -mallien rakenteeseen ja toimintaan. Nämä kuvat ovat hyödyllisiä sekä aseharrastajille että ammattilaisille, jotka haluavat ymmärtää paremmin näiden autoloading-pistoolien komponentteja. Räjäytyskuvat auttavat havainnollistamaan aseiden osien sijoittelua ja toiminnallisuutta, mikä on tärkeää huollon ja korjauksen kannalta. Meiltä löydät myös lisätietoja ja resursseja, jotka tukevat Colt® 380 -mallien käyttöä ja ylläpitoa.

Colt® 380 Models



Colt® 380 Models Aseiden räjäytyskuvat


Colt® 380 Models
Klikkaa punaista numeroa nähdäksesi lisää tietoja osasta ja lisätäksesi tehdasosan ostoskoriisi. Valitse "Osaluettelo" nähdäksesi tämän räjäytyskuvan kaikki osat

Colt® 380 Models Osat


Takaisin alkuun