Yli 300 000 asiakasta - kiitämme teitä!

Yli 40 000 tuotetta metsästykseen ja ammuntaan

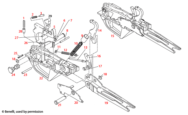
Benelli U.S.A.® Super Black Eagle II -kiväärin laukaisimeen liittyvät räjäytyskuvat tarjoavat yksityiskohtaisen näkymän osien rakenteeseen ja kokoonpanoon.

Benelli U.S.A.® Super Black Eagle II Trigger Assembly Aseiden räjäytyskuvat - Tutustu tarkasti aseesi osiin!

Benelli U.S.A.® Super Black Eagle II -mallin laukaisuyksikkö on keskeinen osa asetta, joka vaikuttaa sen toimintaan ja tarkkuuteen. Tältä sivulta löydät yksityiskohtaiset räjäytyskuvat, jotka esittävät tämän laitteiston eri osat ja niiden sijainnit. Räjäytyskuvat tarjoavat selkeän visuaalisen esityksen, joka auttaa ymmärtämään, miten osat liittyvät toisiinsa. Olipa kyseessä huolto, korjaus tai osien vaihto, nämä kuvat ovat arvokkaita resursseja kaikille Benelli U.S.A.® Super Black Eagle II -omistajille. Tutustu myös muihin aseiden osiin ja varmista, että aseesi toimii aina parhaalla mahdollisella tavalla.

Benelli U.S.A.® Super Black Eagle II Trigger Assembly



Benelli U.S.A.® Super Black Eagle II Trigger Assembly Aseiden räjäytyskuvat


Benelli U.S.A.® Super Black Eagle II Trigger Assembly
Klikkaa punaista numeroa nähdäksesi lisää tietoja osasta ja lisätäksesi tehdasosan ostoskoriisi. Valitse "Osaluettelo" nähdäksesi tämän räjäytyskuvan kaikki osat

Benelli U.S.A.® Super Black Eagle II Trigger Assembly Osat


Takaisin alkuun